1
/
of
12
Steel Frame Mower Seat Fits Craftsman Fits Exmark Fits Gravely Fits Husqvarna
Steel Frame Mower Seat Fits Craftsman Fits Exmark Fits Gravely Fits Husqvarna
No reviews
Regular price
$147.00 CAD
Regular price
Sale price
$147.00 CAD
Unit price
/
per
Shipping calculated at checkout.
Couldn't load pickup availability
One New Aftermarket Steel Frame Riding Lawn Mower Seat
Fits Craftsman, Fits Exmark, Fits Gravely, Fits Husqvarna, Fits Kubota
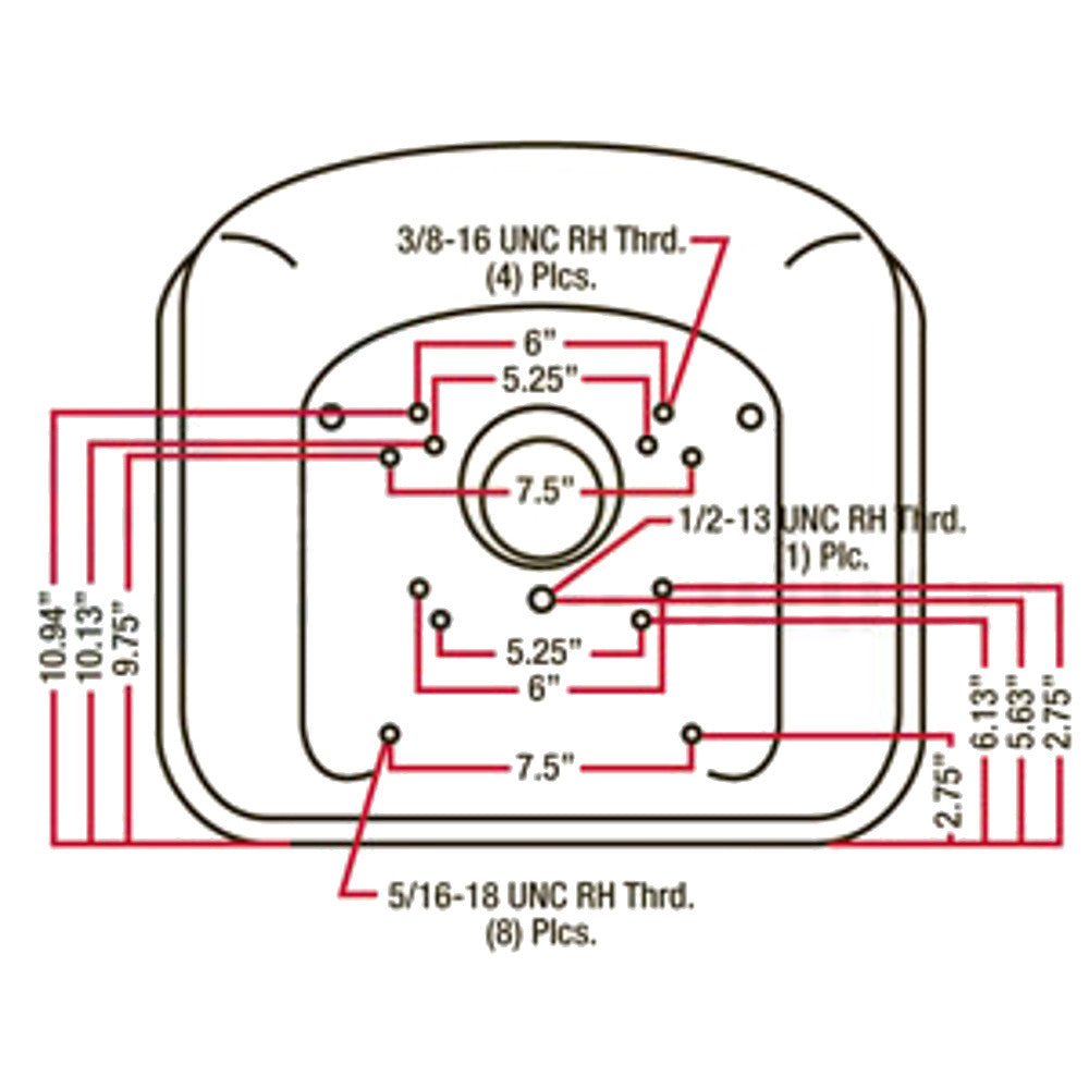
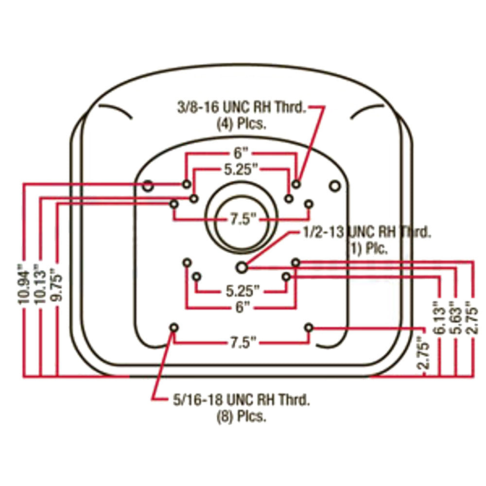
Specifications:
19.00" x 3.00" x 18.50" x 13.00"
Deluxe, Low-Back Seat w/ Integrated Polyurethane/Steel Frame Construction
Features a Safety-Switch Cavity
Universal Bolt Pattern 6" x 5"; 7.5" x 7"
1/2" Center Bolt
Seats Fits Gravely, Fits MTD, Fits National, Fits Snapper, Fits Toro, Fits Yazoo, Fits Western, Fits Bolens, Fits Gilson, Fits Roper, Fits Wheelhorse, Fits Dixon, Fits Massey, and Fits Murray Mowers.
Models This Part Fits:
Bolens, Gilson, MTD, Snapper, Toro, Western, YazooReference Numbers:
A-LMS2002, A-LMS2002-A, B1SE110, CS3509, CS3509-A, CVB1SE110, CVB1SE110-A, LGS97, LMS2002, LMS2002-A, SE110, SE110-A



