1
/
of
12
716923 CS3509 Lawn & Garden Tractor Riding Mower Seat Fits Most Brands LM2002
716923 CS3509 Lawn & Garden Tractor Riding Mower Seat Fits Most Brands LM2002
No reviews
Regular price
$147.00 CAD
Regular price
Sale price
$147.00 CAD
Unit price
/
per
Shipping calculated at checkout.
Couldn't load pickup availability
One New Aftermarket Replacement Garden Tractor / Riding Mower Seat in Black Fits the following:
Ariens Garden Tractor: D
Bolens Garden Tractor: B
Dixon Garden Tractor: C
Fleischer Garden Tractor: A
Gilson Garden Tractor: B
Gravely Garden Tractor: A
Ingersol Garden Tractor: A
J.T. Ellis Garden Tractor: B
Long Garden Tractor: D
Fits Massey Garden Tractor: C
Midwest Garden Tractor: B
MTD Garden Tractor: A
Murray Garden Tractor: C
National Garden Tractor: A
Roper Garden Tractor: B
Snapper Garden Tractors: A, C
Fits Toro Garden Tractors: A, B, D
Western Garden Tractors: A, B
Wheelhorse Garden Tractor: B
Yazoo Garden Tractor: A
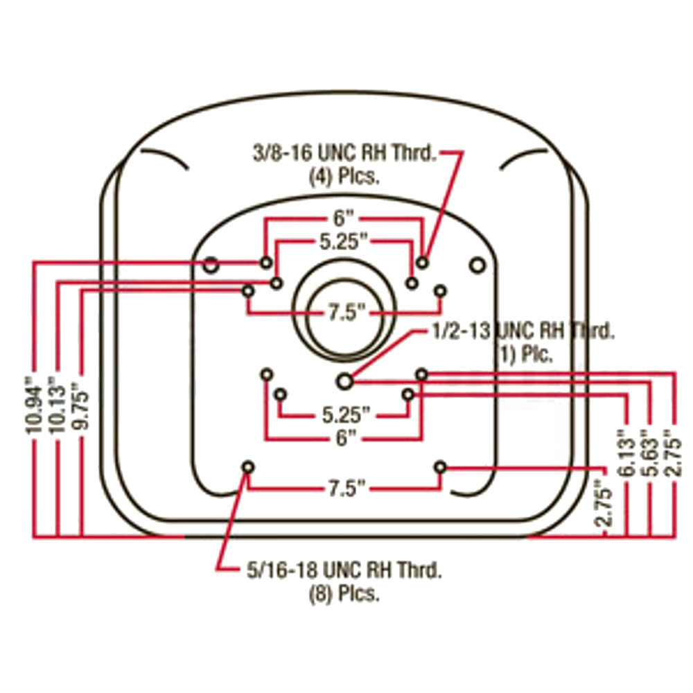
PLEASE NOTE: Seat Does Not
Models This Part Fits:
Bolens, Gilson, MTD, Snapper, Toro, Western, YazooReference Numbers:
A-LMS2002, A-LMS2002-A, B1SE110, CS3509, CS3509-A, CVB1SE110, CVB1SE110-A, LGS97, LMS2002, LMS2002-A, SE110, SE110-A



